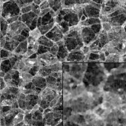
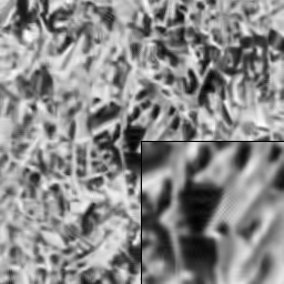
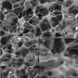
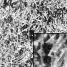
| Original | Noisy | Proposed method [1] | NLM [2] | Curvelet [3] | BM3D [4] | EPLL [5] | Patch BM3D | DIDD [6] | FOV-NL [7]
![]()
![]() 17.99dB PSNR, 0.577 SSIM ![]() 21.31dB PSNR, 0.736 SSIM ![]() 21.88dB PSNR, 0.697 SSIM ![]() 19.75dB PSNR, 0.662 SSIM ![]() 21.48dB PSNR, 0.696 SSIM ![]() 22.18dB PSNR, 0.749 SSIM ![]() 21.82dB PSNR, 0.723 SSIM ![]() 18.46dB PSNR, 0.663 SSIM ![]() 19.86dB PSNR, 0.651 SSIM ![]()
![]() 18.67dB PSNR, 0.434 SSIM ![]() 23.97dB PSNR, 0.699 SSIM ![]() 22.71dB PSNR, 0.651 SSIM ![]() 22.88dB PSNR, 0.640 SSIM ![]() 24.25dB PSNR, 0.663 SSIM ![]() 24.68dB PSNR, 0.700 SSIM ![]() 23.87dB PSNR, 0.681 SSIM ![]() 24.46dB PSNR, 0.673 SSIM ![]() 23.60dB PSNR, 0.618 SSIM ![]()
![]() 17.37dB PSNR, 0.358 SSIM ![]() 24.56dB PSNR, 0.599 SSIM ![]() 20.70dB PSNR, 0.589 SSIM ![]() 23.15dB PSNR, 0.546 SSIM ![]() 21.26dB PSNR, 0.582 SSIM ![]() 25.51dB PSNR, 0.596 SSIM ![]() 23.93dB PSNR, 0.589 SSIM ![]() 20.25dB PSNR, 0.562 SSIM ![]() 22.62dB PSNR, 0.586 SSIM ![]()
![]() 15.36dB PSNR, 0.451 SSIM ![]() 21.03dB PSNR, 0.610 SSIM ![]() 22.08dB PSNR, 0.572 SSIM ![]() 20.86dB PSNR, 0.566 SSIM ![]() 21.97dB PSNR, 0.579 SSIM ![]() 22.94dB PSNR, 0.643 SSIM ![]() 22.53dB PSNR, 0.610 SSIM ![]() 19.74dB PSNR, 0.573 SSIM ![]() 22.18dB PSNR, 0.554 SSIM ![]()
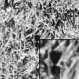
![]() 17.34dB PSNR, 0.684 SSIM ![]() 19.27dB PSNR, 0.798 SSIM ![]() 20.00dB PSNR, 0.772 SSIM ![]() 18.14dB PSNR, 0.683 SSIM ![]() 19.26dB PSNR, 0.730 SSIM ![]() 20.22dB PSNR, 0.813 SSIM ![]() 19.91dB PSNR, 0.789 SSIM ![]() 18.78dB PSNR, 0.729 SSIM ![]() 18.81dB PSNR, 0.698 SSIM Original | Noisy | Proposed method [1] | NLM [2] | Curvelet [3] | BM3D [4] | EPLL [5] | Patch BM3D | DIDD [6] | FOV-NL [7]
| ![]()
![]() 15.81dB PSNR, 0.486 SSIM ![]() 21.05dB PSNR, 0.625 SSIM ![]() 15.78dB PSNR, 0.539 SSIM ![]() 21.69dB PSNR, 0.566 SSIM ![]() 19.99dB PSNR, 0.588 SSIM ![]() 22.99dB PSNR, 0.652 SSIM ![]() 22.58dB PSNR, 0.612 SSIM ![]() 22.22dB PSNR, 0.574 SSIM ![]() 21.17dB PSNR, 0.490 SSIM ![]()
![]() 16.49dB PSNR, 0.502 SSIM ![]() 22.22dB PSNR, 0.713 SSIM ![]() 22.97dB PSNR, 0.698 SSIM ![]() 19.09dB PSNR, 0.659 SSIM ![]() 22.67dB PSNR, 0.696 SSIM ![]() 23.24dB PSNR, 0.743 SSIM ![]() 22.88dB PSNR, 0.719 SSIM ![]() 21.85dB PSNR, 0.669 SSIM ![]() 19.75dB PSNR, 0.641 SSIM ![]()
![]() 15.13dB PSNR, 0.678 SSIM ![]() 18.85dB PSNR, 0.860 SSIM ![]() 19.72dB PSNR, 0.849 SSIM ![]() 16.24dB PSNR, 0.711 SSIM ![]() 18.60dB PSNR, 0.827 SSIM ![]() 19.47dB PSNR, 0.874 SSIM ![]() 19.14dB PSNR, 0.861 SSIM ![]() 16.74dB PSNR, 0.747 SSIM ![]() 15.99dB PSNR, 0.694 SSIM ![]()
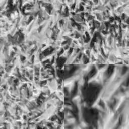
![]() 17.36dB PSNR, 0.554 SSIM ![]() 23.12dB PSNR, 0.800 SSIM ![]() 23.90dB PSNR, 0.824 SSIM ![]() 22.34dB PSNR, 0.788 SSIM ![]() 23.91dB PSNR, 0.819 SSIM ![]() 23.89dB PSNR, 0.822 SSIM ![]() 23.89dB PSNR, 0.823 SSIM ![]() 23.78dB PSNR, 0.830 SSIM ![]() 21.51dB PSNR, 0.770 SSIM Original | Noisy | Proposed method [1] | NLM [2] | Curvelet [3] | BM3D [4] | EPLL [5] | Patch BM3D | DIDD [6] | FOV-NL [7]
| ![]()
![]() 17.11dB PSNR, 0.456 SSIM ![]() 23.93dB PSNR, 0.708 SSIM ![]() 24.17dB PSNR, 0.675 SSIM ![]() 23.36dB PSNR, 0.672 SSIM ![]() 24.50dB PSNR, 0.694 SSIM ![]() 24.67dB PSNR, 0.717 SSIM ![]() 24.50dB PSNR, 0.709 SSIM ![]() 23.77dB PSNR, 0.697 SSIM ![]() 23.99dB PSNR, 0.666 SSIM ![]()
![]() 17.51dB PSNR, 0.480 SSIM ![]() 23.61dB PSNR, 0.721 SSIM ![]() 22.56dB PSNR, 0.688 SSIM ![]() 22.95dB PSNR, 0.673 SSIM ![]() 23.91dB PSNR, 0.712 SSIM ![]() 24.37dB PSNR, 0.730 SSIM ![]() 23.94dB PSNR, 0.714 SSIM ![]() 23.57dB PSNR, 0.713 SSIM ![]() 23.43dB PSNR, 0.666 SSIM ![]()
![]() 17.44dB PSNR, 0.498 SSIM ![]() 23.33dB PSNR, 0.742 SSIM ![]() 24.22dB PSNR, 0.801 SSIM ![]() 25.06dB PSNR, 0.811 SSIM ![]() 26.06dB PSNR, 0.850 SSIM ![]() 25.24dB PSNR, 0.810 SSIM ![]() 25.92dB PSNR, 0.839 SSIM ![]() 24.53dB PSNR, 0.844 SSIM ![]() 25.60dB PSNR, 0.817 SSIM ![]()
![]() 13.92dB PSNR, 0.429 SSIM ![]() 21.00dB PSNR, 0.605 SSIM ![]() 21.99dB PSNR, 0.553 SSIM ![]() 18.71dB PSNR, 0.519 SSIM ![]() 22.04dB PSNR, 0.555 SSIM ![]() 22.75dB PSNR, 0.638 SSIM ![]() 21.99dB PSNR, 0.592 SSIM ![]() 21.40dB PSNR, 0.550 SSIM ![]() 20.84dB PSNR, 0.510 SSIM ![]()
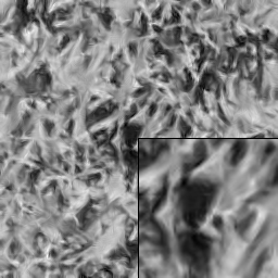
![]() 15.36dB PSNR, 0.451 SSIM ![]() 21.03dB PSNR, 0.610 SSIM ![]() 22.08dB PSNR, 0.572 SSIM ![]() 20.07dB PSNR, 0.538 SSIM ![]() 21.97dB PSNR, 0.579 SSIM ![]() 22.91dB PSNR, 0.640 SSIM ![]() 22.53dB PSNR, 0.610 SSIM ![]() 20.76dB PSNR, 0.580 SSIM ![]() 22.14dB PSNR, 0.574 SSIM Original | Noisy | Proposed method [1] | NLM [2] | Curvelet [3] | BM3D [4] | EPLL [5] | Patch BM3D | DIDD [6] | FOV-NL [7]
| ![]()
![]() 17.17dB PSNR, 0.540 SSIM ![]() 22.72dB PSNR, 0.768 SSIM ![]() 20.45dB PSNR, 0.786 SSIM ![]() 20.05dB PSNR, 0.726 SSIM ![]() 23.05dB PSNR, 0.764 SSIM ![]() 23.26dB PSNR, 0.775 SSIM ![]() 23.09dB PSNR, 0.776 SSIM ![]() 19.38dB PSNR, 0.733 SSIM ![]() 21.45dB PSNR, 0.712 SSIM ![]()
![]() 16.72dB PSNR, 0.566 SSIM ![]() 22.03dB PSNR, 0.766 SSIM ![]() 20.37dB PSNR, 0.757 SSIM ![]() 21.47dB PSNR, 0.735 SSIM ![]() 21.79dB PSNR, 0.767 SSIM ![]() 22.91dB PSNR, 0.790 SSIM ![]() 22.50dB PSNR, 0.776 SSIM ![]() 21.89dB PSNR, 0.768 SSIM ![]() 21.22dB PSNR, 0.730 SSIM ![]()
![]() 16.47dB PSNR, 0.560 SSIM ![]() 22.23dB PSNR, 0.766 SSIM ![]() 20.84dB PSNR, 0.762 SSIM ![]() 21.86dB PSNR, 0.733 SSIM ![]() 22.13dB PSNR, 0.771 SSIM ![]() 23.14dB PSNR, 0.787 SSIM ![]() 22.88dB PSNR, 0.781 SSIM ![]() 23.18dB PSNR, 0.778 SSIM ![]() 21.56dB PSNR, 0.731 SSIM ![]()
![]() 16.50dB PSNR, 0.379 SSIM ![]() 24.35dB PSNR, 0.642 SSIM ![]() 22.68dB PSNR, 0.665 SSIM ![]() 23.60dB PSNR, 0.637 SSIM ![]() 23.97dB PSNR, 0.683 SSIM ![]() 25.73dB PSNR, 0.686 SSIM ![]() 25.50dB PSNR, 0.676 SSIM ![]() 25.48dB PSNR, 0.679 SSIM ![]() 24.31dB PSNR, 0.636 SSIM ![]()
![]() 19.34dB PSNR, 0.475 SSIM ![]() 20.60dB PSNR, 0.505 SSIM ![]() 21.33dB PSNR, 0.444 SSIM ![]() 21.21dB PSNR, 0.387 SSIM ![]() 21.19dB PSNR, 0.421 SSIM ![]() 20.91dB PSNR, 0.449 SSIM ![]() 21.49dB PSNR, 0.450 SSIM ![]() 18.56dB PSNR, 0.399 SSIM ![]() 22.06dB PSNR, 0.437 SSIM Original | Noisy | Proposed method [1] | NLM [2] | Curvelet [3] | BM3D [4] | EPLL [5] | Patch BM3D | DIDD [6] | FOV-NL [7]
| ![]()
![]() 18.52dB PSNR, 0.450 SSIM ![]() 20.61dB PSNR, 0.500 SSIM ![]() 20.09dB PSNR, 0.443 SSIM ![]() 20.42dB PSNR, 0.388 SSIM ![]() 20.09dB PSNR, 0.426 SSIM ![]() 20.76dB PSNR, 0.436 SSIM ![]() 21.08dB PSNR, 0.440 SSIM ![]() 19.82dB PSNR, 0.393 SSIM ![]() 21.95dB PSNR, 0.428 SSIM ![]()
![]() 18.40dB PSNR, 0.501 SSIM ![]() 21.52dB PSNR, 0.586 SSIM ![]() 18.03dB PSNR, 0.525 SSIM ![]() 19.32dB PSNR, 0.494 SSIM ![]() 21.19dB PSNR, 0.531 SSIM ![]() 23.19dB PSNR, 0.558 SSIM ![]() 20.36dB PSNR, 0.548 SSIM ![]() 23.43dB PSNR, 0.540 SSIM ![]() 21.32dB PSNR, 0.545 SSIM ![]()
![]() 17.63dB PSNR, 0.489 SSIM ![]() 22.02dB PSNR, 0.664 SSIM ![]() 19.15dB PSNR, 0.500 SSIM ![]() 21.77dB PSNR, 0.552 SSIM ![]() 22.22dB PSNR, 0.596 SSIM ![]() 23.46dB PSNR, 0.662 SSIM ![]() 23.19dB PSNR, 0.634 SSIM ![]() 22.69dB PSNR, 0.588 SSIM ![]() 21.23dB PSNR, 0.455 SSIM ![]()
![]() 15.46dB PSNR, 0.523 SSIM ![]() 21.10dB PSNR, 0.681 SSIM ![]() 21.48dB PSNR, 0.611 SSIM ![]() 19.81dB PSNR, 0.648 SSIM ![]() 22.73dB PSNR, 0.681 SSIM ![]() 23.20dB PSNR, 0.733 SSIM ![]() 23.08dB PSNR, 0.717 SSIM ![]() 22.15dB PSNR, 0.701 SSIM ![]() 21.63dB PSNR, 0.626 SSIM ![]()
![]() 17.73dB PSNR, 0.356 SSIM ![]() 22.93dB PSNR, 0.520 SSIM ![]() 21.90dB PSNR, 0.525 SSIM ![]() 24.31dB PSNR, 0.520 SSIM ![]() 22.49dB PSNR, 0.548 SSIM ![]() 24.64dB PSNR, 0.570 SSIM ![]() 22.57dB PSNR, 0.549 SSIM ![]() 24.40dB PSNR, 0.540 SSIM ![]() 24.06dB PSNR, 0.527 SSIM ![]()
![]() 17.98dB PSNR, 0.317 SSIM ![]() 23.03dB PSNR, 0.483 SSIM ![]() 18.93dB PSNR, 0.448 SSIM ![]() 23.84dB PSNR, 0.441 SSIM ![]() 21.77dB PSNR, 0.474 SSIM ![]() 25.51dB PSNR, 0.499 SSIM ![]() 22.86dB PSNR, 0.477 SSIM ![]() 22.96dB PSNR, 0.445 SSIM ![]() 18.15dB PSNR, 0.451 SSIM ![]()
![]() 18.45dB PSNR, 0.362 SSIM ![]() 23.31dB PSNR, 0.716 SSIM ![]() 23.14dB PSNR, 0.754 SSIM ![]() 19.88dB PSNR, 0.668 SSIM ![]() 20.89dB PSNR, 0.722 SSIM ![]() 25.15dB PSNR, 0.736 SSIM ![]() 23.74dB PSNR, 0.720 SSIM ![]() 18.73dB PSNR, 0.706 SSIM ![]() 21.12dB PSNR, 0.679 SSIM Original | Noisy | Proposed method [1] | NLM [2] | Curvelet [3] | BM3D [4] | EPLL [5] | Patch BM3D | DIDD [6] | FOV-NL [7]
| ![]()
![]() 17.18dB PSNR, 0.637 SSIM ![]() 19.21dB PSNR, 0.747 SSIM ![]() 19.57dB PSNR, 0.637 SSIM ![]() 17.88dB PSNR, 0.602 SSIM ![]() 19.01dB PSNR, 0.624 SSIM ![]() 19.97dB PSNR, 0.743 SSIM ![]() 19.56dB PSNR, 0.692 SSIM ![]() 17.66dB PSNR, 0.640 SSIM ![]() 18.27dB PSNR, 0.570 SSIM ![]()
![]() 17.78dB PSNR, 0.594 SSIM ![]() 19.80dB PSNR, 0.667 SSIM ![]() 19.64dB PSNR, 0.623 SSIM ![]() 19.84dB PSNR, 0.610 SSIM ![]() 20.00dB PSNR, 0.598 SSIM ![]() 20.91dB PSNR, 0.698 SSIM ![]() 20.52dB PSNR, 0.652 SSIM ![]() 20.15dB PSNR, 0.654 SSIM ![]() 19.07dB PSNR, 0.546 SSIM ![]()
![]() 18.80dB PSNR, 0.543 SSIM ![]() 20.30dB PSNR, 0.623 SSIM ![]() 21.18dB PSNR, 0.598 SSIM ![]() 21.61dB PSNR, 0.625 SSIM ![]() 21.76dB PSNR, 0.671 SSIM ![]() 22.53dB PSNR, 0.688 SSIM ![]() 21.71dB PSNR, 0.688 SSIM ![]() 21.87dB PSNR, 0.654 SSIM ![]() 21.18dB PSNR, 0.583 SSIM Original | Noisy | Proposed method [1] | NLM [2] | Curvelet [3] | BM3D [4] | EPLL [5] | Patch BM3D | DIDD [6] | FOV-NL [7]
| ![]()
![]() 17.68dB PSNR, 0.295 SSIM ![]() 24.29dB PSNR, 0.526 SSIM ![]() 28.11dB PSNR, 0.701 SSIM ![]() 24.82dB PSNR, 0.656 SSIM ![]() 27.76dB PSNR, 0.720 SSIM ![]() 27.63dB PSNR, 0.718 SSIM ![]() 27.55dB PSNR, 0.706 SSIM ![]() 26.85dB PSNR, 0.699 SSIM ![]() 27.06dB PSNR, 0.680 SSIM ![]()
![]() 12.21dB PSNR, 0.190 SSIM ![]() 27.06dB PSNR, 0.522 SSIM ![]() 17.73dB PSNR, 0.568 SSIM ![]() 25.67dB PSNR, 0.525 SSIM ![]() 23.12dB PSNR, 0.570 SSIM ![]() 29.17dB PSNR, 0.583 SSIM ![]() 22.97dB PSNR, 0.566 SSIM ![]() 20.69dB PSNR, 0.560 SSIM ![]() 23.09dB PSNR, 0.574 SSIM ![]()
![]() 18.68dB PSNR, 0.520 SSIM ![]() 22.24dB PSNR, 0.669 SSIM ![]() 17.75dB PSNR, 0.692 SSIM ![]() 21.06dB PSNR, 0.611 SSIM ![]() 21.11dB PSNR, 0.700 SSIM ![]() 22.68dB PSNR, 0.654 SSIM ![]() 22.12dB PSNR, 0.710 SSIM ![]() 21.56dB PSNR, 0.652 SSIM ![]() 20.49dB PSNR, 0.610 SSIM ![]()
![]() 19.06dB PSNR, 0.333 SSIM ![]() 24.26dB PSNR, 0.592 SSIM ![]() 26.07dB PSNR, 0.607 SSIM ![]() 24.44dB PSNR, 0.594 SSIM ![]() 25.73dB PSNR, 0.627 SSIM ![]() 25.97dB PSNR, 0.647 SSIM ![]() 25.71dB PSNR, 0.631 SSIM ![]() 25.87dB PSNR, 0.634 SSIM ![]() 24.86dB PSNR, 0.601 SSIM Original | Noisy | Proposed method [1] | NLM [2] | Curvelet [3] | BM3D [4] | EPLL [5] | Patch BM3D | DIDD [6] | FOV-NL [7]
| ![]()
![]() 15.02dB PSNR, 0.254 SSIM ![]() 24.79dB PSNR, 0.513 SSIM ![]() 25.71dB PSNR, 0.622 SSIM ![]() 24.82dB PSNR, 0.579 SSIM ![]() 26.91dB PSNR, 0.632 SSIM ![]() 27.38dB PSNR, 0.656 SSIM ![]() 27.27dB PSNR, 0.637 SSIM ![]() 26.38dB PSNR, 0.621 SSIM ![]() 24.43dB PSNR, 0.597 SSIM ![]()
![]() 18.54dB PSNR, 0.294 SSIM ![]() 24.34dB PSNR, 0.498 SSIM ![]() 25.96dB PSNR, 0.543 SSIM ![]() 25.80dB PSNR, 0.531 SSIM ![]() 25.82dB PSNR, 0.567 SSIM ![]() 26.64dB PSNR, 0.571 SSIM ![]() 25.92dB PSNR, 0.571 SSIM ![]() 26.30dB PSNR, 0.555 SSIM ![]() 21.78dB PSNR, 0.540 SSIM ![]()
![]() 15.92dB PSNR, 0.472 SSIM ![]() 20.79dB PSNR, 0.595 SSIM ![]() 21.82dB PSNR, 0.511 SSIM ![]() 19.55dB PSNR, 0.500 SSIM ![]() 21.85dB PSNR, 0.504 SSIM ![]() 21.73dB PSNR, 0.595 SSIM ![]() 22.05dB PSNR, 0.537 SSIM ![]() 22.00dB PSNR, 0.520 SSIM ![]() 21.48dB PSNR, 0.470 SSIM ![]()
![]() 18.25dB PSNR, 0.300 SSIM ![]() 23.99dB PSNR, 0.492 SSIM ![]() 22.23dB PSNR, 0.503 SSIM ![]() 24.37dB PSNR, 0.475 SSIM ![]() 23.64dB PSNR, 0.507 SSIM ![]() 25.86dB PSNR, 0.550 SSIM ![]() 23.93dB PSNR, 0.519 SSIM ![]() 23.12dB PSNR, 0.490 SSIM ![]() 25.29dB PSNR, 0.507 SSIM ![]()
![]() 17.21dB PSNR, 0.425 SSIM ![]() 21.63dB PSNR, 0.534 SSIM ![]() 22.33dB PSNR, 0.421 SSIM ![]() 22.62dB PSNR, 0.463 SSIM ![]() 23.05dB PSNR, 0.471 SSIM ![]() 23.39dB PSNR, 0.536 SSIM ![]() 23.16dB PSNR, 0.500 SSIM ![]() 23.07dB PSNR, 0.480 SSIM ![]() 21.89dB PSNR, 0.428 SSIM ![]()
![]() 19.56dB PSNR, 0.367 SSIM ![]() 22.87dB PSNR, 0.514 SSIM ![]() 23.09dB PSNR, 0.477 SSIM ![]() 22.84dB PSNR, 0.503 SSIM ![]() 24.47dB PSNR, 0.531 SSIM ![]() 24.71dB PSNR, 0.558 SSIM ![]() 24.37dB PSNR, 0.541 SSIM ![]() 21.64dB PSNR, 0.507 SSIM ![]() 21.00dB PSNR, 0.478 SSIM Original | Noisy | Proposed method [1] | NLM [2] | Curvelet [3] | BM3D [4] | EPLL [5] | Patch BM3D | DIDD [6] | FOV-NL [7]
| ![]()
![]() 18.99dB PSNR, 0.496 SSIM ![]() 21.11dB PSNR, 0.579 SSIM ![]() 21.23dB PSNR, 0.481 SSIM ![]() 20.98dB PSNR, 0.491 SSIM ![]() 21.25dB PSNR, 0.472 SSIM ![]() 22.16dB PSNR, 0.579 SSIM ![]() 21.64dB PSNR, 0.523 SSIM ![]() 21.59dB PSNR, 0.519 SSIM ![]() 19.87dB PSNR, 0.446 SSIM ![]()
![]() 19.10dB PSNR, 0.364 SSIM ![]() 23.44dB PSNR, 0.542 SSIM ![]() 22.99dB PSNR, 0.576 SSIM ![]() 23.93dB PSNR, 0.586 SSIM ![]() 24.45dB PSNR, 0.603 SSIM ![]() 25.39dB PSNR, 0.618 SSIM ![]() 24.18dB PSNR, 0.611 SSIM ![]() 24.48dB PSNR, 0.616 SSIM ![]() 21.43dB PSNR, 0.565 SSIM Original | Noisy | Proposed method [1] | NLM [2] | Curvelet [3] | BM3D [4] | EPLL [5] | Patch BM3D | DIDD [6] | FOV-NL [7]
| ![]()
![]() 19.55dB PSNR, 0.379 SSIM ![]() 23.53dB PSNR, 0.568 SSIM ![]() 25.40dB PSNR, 0.587 SSIM ![]() 24.44dB PSNR, 0.574 SSIM ![]() 25.08dB PSNR, 0.600 SSIM ![]() 25.54dB PSNR, 0.633 SSIM ![]() 25.21dB PSNR, 0.606 SSIM ![]() 24.11dB PSNR, 0.593 SSIM ![]() 24.85dB PSNR, 0.578 SSIM ![]()
![]() 15.79dB PSNR, 0.645 SSIM ![]() 19.22dB PSNR, 0.730 SSIM ![]() 18.98dB PSNR, 0.577 SSIM ![]() 17.05dB PSNR, 0.557 SSIM ![]() 18.70dB PSNR, 0.565 SSIM ![]() 19.80dB PSNR, 0.714 SSIM ![]() 19.33dB PSNR, 0.650 SSIM ![]() 18.33dB PSNR, 0.596 SSIM ![]() 17.51dB PSNR, 0.484 SSIM ![]()
![]() 17.82dB PSNR, 0.598 SSIM ![]() 21.03dB PSNR, 0.746 SSIM ![]() 21.73dB PSNR, 0.703 SSIM ![]() 20.16dB PSNR, 0.664 SSIM ![]() 20.93dB PSNR, 0.685 SSIM ![]() 21.74dB PSNR, 0.750 SSIM ![]() 21.31dB PSNR, 0.724 SSIM ![]() 18.64dB PSNR, 0.660 SSIM ![]() 19.94dB PSNR, 0.651 SSIM ![]()
![]() 16.12dB PSNR, 0.358 SSIM ![]() 21.49dB PSNR, 0.558 SSIM ![]() 14.49dB PSNR, 0.637 SSIM ![]() 15.35dB PSNR, 0.579 SSIM ![]() 13.32dB PSNR, 0.607 SSIM ![]() 15.65dB PSNR, 0.638 SSIM ![]() 16.88dB PSNR, 0.636 SSIM ![]() 16.30dB PSNR, 0.611 SSIM ![]() 14.12dB PSNR, 0.573 SSIM ![]()
![]() 18.73dB PSNR, 0.399 SSIM ![]() 24.25dB PSNR, 0.673 SSIM ![]() 22.89dB PSNR, 0.685 SSIM ![]() 23.51dB PSNR, 0.679 SSIM ![]() 25.55dB PSNR, 0.717 SSIM ![]() 25.72dB PSNR, 0.716 SSIM ![]() 25.76dB PSNR, 0.720 SSIM ![]() 25.56dB PSNR, 0.718 SSIM ![]() 22.64dB PSNR, 0.658 SSIM ![]()
![]() 18.33dB PSNR, 0.680 SSIM ![]() 18.11dB PSNR, 0.641 SSIM ![]() 20.41dB PSNR, 0.850 SSIM ![]() 20.96dB PSNR, 0.822 SSIM ![]() 23.30dB PSNR, 0.938 SSIM ![]() 21.74dB PSNR, 0.860 SSIM ![]() 22.39dB PSNR, 0.925 SSIM ![]() 21.27dB PSNR, 0.874 SSIM ![]() 21.85dB PSNR, 0.867 SSIM Original | Noisy | Proposed method [1] | NLM [2] | Curvelet [3] | BM3D [4] | EPLL [5] | Patch BM3D | DIDD [6] | FOV-NL [7]
| ![]()
![]() 19.03dB PSNR, 0.527 SSIM ![]() 20.59dB PSNR, 0.610 SSIM ![]() 21.33dB PSNR, 0.494 SSIM ![]() 20.60dB PSNR, 0.499 SSIM ![]() 18.17dB PSNR, 0.494 SSIM ![]() 21.91dB PSNR, 0.567 SSIM ![]() 21.61dB PSNR, 0.531 SSIM ![]() 19.60dB PSNR, 0.481 SSIM ![]() 20.00dB PSNR, 0.445 SSIM ![]()
![]() 18.96dB PSNR, 0.548 SSIM ![]() 20.49dB PSNR, 0.636 SSIM ![]() 17.60dB PSNR, 0.453 SSIM ![]() 18.96dB PSNR, 0.478 SSIM ![]() 20.36dB PSNR, 0.490 SSIM ![]() 21.60dB PSNR, 0.598 SSIM ![]() 20.63dB PSNR, 0.542 SSIM ![]() 19.05dB PSNR, 0.502 SSIM ![]() 19.89dB PSNR, 0.455 SSIM ![]()
![]() 13.98dB PSNR, 0.453 SSIM ![]() 20.41dB PSNR, 0.567 SSIM ![]() 18.54dB PSNR, 0.456 SSIM ![]() 19.17dB PSNR, 0.551 SSIM ![]() 21.96dB PSNR, 0.573 SSIM ![]() 22.32dB PSNR, 0.593 SSIM ![]() 22.28dB PSNR, 0.599 SSIM ![]() 20.41dB PSNR, 0.589 SSIM ![]() 20.70dB PSNR, 0.497 SSIM |
| Original | Noisy | Proposed method [1] | NLM [2] | Curvelet [3] | BM3D [4] | EPLL [5] | Patch BM3D | DIDD [6] | FOV-NL [7]
![]()
![]() 19.63dB PSNR, 0.677 SSIM ![]() 22.71dB PSNR, 0.793 SSIM ![]() 23.15dB PSNR, 0.767 SSIM ![]() 21.49dB PSNR, 0.735 SSIM ![]() 23.00dB PSNR, 0.774 SSIM ![]() 23.46dB PSNR, 0.810 SSIM ![]() 23.15dB PSNR, 0.786 SSIM ![]() 22.16dB PSNR, 0.775 SSIM ![]() 21.77dB PSNR, 0.729 SSIM ![]()
![]() 19.82dB PSNR, 0.537 SSIM ![]() 25.05dB PSNR, 0.750 SSIM ![]() 24.25dB PSNR, 0.729 SSIM ![]() 24.63dB PSNR, 0.718 SSIM ![]() 25.44dB PSNR, 0.740 SSIM ![]() 25.90dB PSNR, 0.767 SSIM ![]() 25.65dB PSNR, 0.747 SSIM ![]() 25.26dB PSNR, 0.728 SSIM ![]() 25.15dB PSNR, 0.704 SSIM ![]()
![]() 18.91dB PSNR, 0.446 SSIM ![]() 25.23dB PSNR, 0.650 SSIM ![]() 21.05dB PSNR, 0.629 SSIM ![]() 21.19dB PSNR, 0.603 SSIM ![]() 21.83dB PSNR, 0.632 SSIM ![]() 26.40dB PSNR, 0.653 SSIM ![]() 24.90dB PSNR, 0.644 SSIM ![]() 23.19dB PSNR, 0.620 SSIM ![]() 26.19dB PSNR, 0.621 SSIM ![]()
![]() 15.59dB PSNR, 0.534 SSIM ![]() 22.92dB PSNR, 0.699 SSIM ![]() 23.41dB PSNR, 0.662 SSIM ![]() 20.77dB PSNR, 0.634 SSIM ![]() 23.12dB PSNR, 0.675 SSIM ![]() 23.99dB PSNR, 0.732 SSIM ![]() 23.65dB PSNR, 0.694 SSIM ![]() 22.71dB PSNR, 0.671 SSIM ![]() 22.89dB PSNR, 0.641 SSIM ![]()
![]() 18.68dB PSNR, 0.764 SSIM ![]() 21.13dB PSNR, 0.856 SSIM ![]() 21.73dB PSNR, 0.854 SSIM ![]() 19.10dB PSNR, 0.753 SSIM ![]() 21.23dB PSNR, 0.839 SSIM ![]() 21.75dB PSNR, 0.875 SSIM ![]() 21.50dB PSNR, 0.860 SSIM ![]() 17.11dB PSNR, 0.759 SSIM ![]() 20.03dB PSNR, 0.784 SSIM Original | Noisy | Proposed method [1] | NLM [2] | Curvelet [3] | BM3D [4] | EPLL [5] | Patch BM3D | DIDD [6] | FOV-NL [7]
| ![]()
![]() 18.65dB PSNR, 0.591 SSIM ![]() 23.12dB PSNR, 0.722 SSIM ![]() 16.72dB PSNR, 0.643 SSIM ![]() 23.15dB PSNR, 0.670 SSIM ![]() 21.93dB PSNR, 0.688 SSIM ![]() 24.27dB PSNR, 0.742 SSIM ![]() 23.50dB PSNR, 0.709 SSIM ![]() 19.34dB PSNR, 0.664 SSIM ![]() 23.06dB PSNR, 0.632 SSIM ![]()
![]() 17.81dB PSNR, 0.599 SSIM ![]() 23.62dB PSNR, 0.772 SSIM ![]() 24.08dB PSNR, 0.773 SSIM ![]() 21.54dB PSNR, 0.735 SSIM ![]() 24.17dB PSNR, 0.779 SSIM ![]() 24.58dB PSNR, 0.809 SSIM ![]() 24.21dB PSNR, 0.786 SSIM ![]() 23.95dB PSNR, 0.779 SSIM ![]() 23.43dB PSNR, 0.756 SSIM ![]()
![]() 16.36dB PSNR, 0.761 SSIM ![]() 20.42dB PSNR, 0.896 SSIM ![]() 21.41dB PSNR, 0.903 SSIM ![]() 17.35dB PSNR, 0.780 SSIM ![]() 20.61dB PSNR, 0.899 SSIM ![]() 21.09dB PSNR, 0.916 SSIM ![]() 20.81dB PSNR, 0.907 SSIM ![]() 18.27dB PSNR, 0.827 SSIM ![]() 18.03dB PSNR, 0.808 SSIM ![]()
![]() 18.75dB PSNR, 0.657 SSIM ![]() 24.62dB PSNR, 0.847 SSIM ![]() 25.34dB PSNR, 0.877 SSIM ![]() 24.20dB PSNR, 0.837 SSIM ![]() 25.44dB PSNR, 0.871 SSIM ![]() 25.43dB PSNR, 0.870 SSIM ![]() 25.44dB PSNR, 0.869 SSIM ![]() 24.05dB PSNR, 0.843 SSIM ![]() 24.12dB PSNR, 0.833 SSIM Original | Noisy | Proposed method [1] | NLM [2] | Curvelet [3] | BM3D [4] | EPLL [5] | Patch BM3D | DIDD [6] | FOV-NL [7]
| ![]()
![]() 16.47dB PSNR, 0.547 SSIM ![]() 25.32dB PSNR, 0.761 SSIM ![]() 24.94dB PSNR, 0.738 SSIM ![]() 24.85dB PSNR, 0.735 SSIM ![]() 25.78dB PSNR, 0.759 SSIM ![]() 25.90dB PSNR, 0.773 SSIM ![]() 25.70dB PSNR, 0.762 SSIM ![]() 25.60dB PSNR, 0.762 SSIM ![]() 24.95dB PSNR, 0.723 SSIM ![]()
![]() 18.50dB PSNR, 0.578 SSIM ![]() 24.72dB PSNR, 0.769 SSIM ![]() 23.12dB PSNR, 0.753 SSIM ![]() 23.91dB PSNR, 0.737 SSIM ![]() 24.96dB PSNR, 0.777 SSIM ![]() 25.47dB PSNR, 0.786 SSIM ![]() 25.15dB PSNR, 0.774 SSIM ![]() 24.20dB PSNR, 0.771 SSIM ![]() 23.74dB PSNR, 0.734 SSIM ![]()
![]() 18.49dB PSNR, 0.595 SSIM ![]() 24.81dB PSNR, 0.797 SSIM ![]() 25.27dB PSNR, 0.846 SSIM ![]() 25.16dB PSNR, 0.845 SSIM ![]() 26.88dB PSNR, 0.875 SSIM ![]() 26.55dB PSNR, 0.849 SSIM ![]() 27.03dB PSNR, 0.869 SSIM ![]() 26.73dB PSNR, 0.867 SSIM ![]() 26.71dB PSNR, 0.850 SSIM ![]()
![]() 16.23dB PSNR, 0.536 SSIM ![]() 22.92dB PSNR, 0.696 SSIM ![]() 22.89dB PSNR, 0.640 SSIM ![]() 18.30dB PSNR, 0.588 SSIM ![]() 23.26dB PSNR, 0.652 SSIM ![]() 23.96dB PSNR, 0.719 SSIM ![]() 23.52dB PSNR, 0.676 SSIM ![]() 23.43dB PSNR, 0.671 SSIM ![]() 22.95dB PSNR, 0.622 SSIM ![]()
![]() 15.59dB PSNR, 0.534 SSIM ![]() 22.92dB PSNR, 0.699 SSIM ![]() 23.41dB PSNR, 0.662 SSIM ![]() 20.22dB PSNR, 0.633 SSIM ![]() 23.12dB PSNR, 0.675 SSIM ![]() 24.12dB PSNR, 0.726 SSIM ![]() 23.65dB PSNR, 0.694 SSIM ![]() 21.26dB PSNR, 0.652 SSIM ![]() 20.86dB PSNR, 0.631 SSIM Original | Noisy | Proposed method [1] | NLM [2] | Curvelet [3] | BM3D [4] | EPLL [5] | Patch BM3D | DIDD [6] | FOV-NL [7]
| ![]()
![]() 18.35dB PSNR, 0.640 SSIM ![]() 24.05dB PSNR, 0.816 SSIM ![]() 21.23dB PSNR, 0.824 SSIM ![]() 22.13dB PSNR, 0.776 SSIM ![]() 24.05dB PSNR, 0.817 SSIM ![]() 24.49dB PSNR, 0.824 SSIM ![]() 24.25dB PSNR, 0.819 SSIM ![]() 21.38dB PSNR, 0.799 SSIM ![]() 21.59dB PSNR, 0.780 SSIM ![]()
![]() 18.70dB PSNR, 0.676 SSIM ![]() 23.49dB PSNR, 0.819 SSIM ![]() 20.86dB PSNR, 0.793 SSIM ![]() 22.76dB PSNR, 0.790 SSIM ![]() 23.41dB PSNR, 0.819 SSIM ![]() 24.15dB PSNR, 0.834 SSIM ![]() 23.81dB PSNR, 0.825 SSIM ![]() 22.27dB PSNR, 0.815 SSIM ![]() 22.29dB PSNR, 0.794 SSIM ![]()
![]() 18.90dB PSNR, 0.661 SSIM ![]() 23.63dB PSNR, 0.814 SSIM ![]() 20.90dB PSNR, 0.792 SSIM ![]() 23.30dB PSNR, 0.791 SSIM ![]() 23.69dB PSNR, 0.822 SSIM ![]() 24.35dB PSNR, 0.829 SSIM ![]() 24.12dB PSNR, 0.826 SSIM ![]() 23.94dB PSNR, 0.819 SSIM ![]() 23.10dB PSNR, 0.799 SSIM ![]()
![]() 17.02dB PSNR, 0.456 SSIM ![]() 25.48dB PSNR, 0.702 SSIM ![]() 23.38dB PSNR, 0.719 SSIM ![]() 25.95dB PSNR, 0.698 SSIM ![]() 26.32dB PSNR, 0.734 SSIM ![]() 26.83dB PSNR, 0.738 SSIM ![]() 26.68dB PSNR, 0.734 SSIM ![]() 26.03dB PSNR, 0.730 SSIM ![]() 26.15dB PSNR, 0.701 SSIM ![]()
![]() 20.70dB PSNR, 0.575 SSIM ![]() 22.37dB PSNR, 0.599 SSIM ![]() 21.91dB PSNR, 0.507 SSIM ![]() 21.38dB PSNR, 0.447 SSIM ![]() 21.30dB PSNR, 0.489 SSIM ![]() 21.09dB PSNR, 0.542 SSIM ![]() 21.50dB PSNR, 0.499 SSIM ![]() 20.55dB PSNR, 0.471 SSIM ![]() 21.35dB PSNR, 0.492 SSIM Original | Noisy | Proposed method [1] | NLM [2] | Curvelet [3] | BM3D [4] | EPLL [5] | Patch BM3D | DIDD [6] | FOV-NL [7]
| ![]()
![]() 20.92dB PSNR, 0.569 SSIM ![]() 22.32dB PSNR, 0.592 SSIM ![]() 20.17dB PSNR, 0.512 SSIM ![]() 21.66dB PSNR, 0.434 SSIM ![]() 20.22dB PSNR, 0.489 SSIM ![]() 22.23dB PSNR, 0.543 SSIM ![]() 21.89dB PSNR, 0.494 SSIM ![]() 21.46dB PSNR, 0.492 SSIM ![]() 20.73dB PSNR, 0.485 SSIM ![]()
![]() 19.63dB PSNR, 0.599 SSIM ![]() 22.92dB PSNR, 0.660 SSIM ![]() 19.62dB PSNR, 0.564 SSIM ![]() 19.86dB PSNR, 0.547 SSIM ![]() 21.97dB PSNR, 0.564 SSIM ![]() 24.15dB PSNR, 0.613 SSIM ![]() 23.02dB PSNR, 0.585 SSIM ![]() 20.84dB PSNR, 0.584 SSIM ![]() 22.61dB PSNR, 0.589 SSIM ![]()
![]() 15.93dB PSNR, 0.619 SSIM ![]() 23.23dB PSNR, 0.772 SSIM ![]() 23.40dB PSNR, 0.716 SSIM ![]() 19.29dB PSNR, 0.754 SSIM ![]() 24.36dB PSNR, 0.779 SSIM ![]() 24.56dB PSNR, 0.806 SSIM ![]() 24.52dB PSNR, 0.798 SSIM ![]() 23.83dB PSNR, 0.782 SSIM ![]() 19.60dB PSNR, 0.707 SSIM ![]()
![]() 19.19dB PSNR, 0.443 SSIM ![]() 24.79dB PSNR, 0.613 SSIM ![]() 23.29dB PSNR, 0.583 SSIM ![]() 24.76dB PSNR, 0.584 SSIM ![]() 24.46dB PSNR, 0.610 SSIM ![]() 25.49dB PSNR, 0.628 SSIM ![]() 23.48dB PSNR, 0.607 SSIM ![]() 24.07dB PSNR, 0.605 SSIM ![]() 25.08dB PSNR, 0.592 SSIM ![]()
![]() 17.60dB PSNR, 0.389 SSIM ![]() 24.44dB PSNR, 0.566 SSIM ![]() 19.48dB PSNR, 0.508 SSIM ![]() 25.23dB PSNR, 0.519 SSIM ![]() 22.78dB PSNR, 0.551 SSIM ![]() 26.18dB PSNR, 0.583 SSIM ![]() 22.41dB PSNR, 0.549 SSIM ![]() 23.57dB PSNR, 0.521 SSIM ![]() 19.96dB PSNR, 0.519 SSIM ![]()
![]() 18.97dB PSNR, 0.450 SSIM ![]() 24.67dB PSNR, 0.763 SSIM ![]() 25.08dB PSNR, 0.810 SSIM ![]() 24.68dB PSNR, 0.744 SSIM ![]() 25.33dB PSNR, 0.787 SSIM ![]() 26.35dB PSNR, 0.793 SSIM ![]() 22.50dB PSNR, 0.776 SSIM ![]() 25.31dB PSNR, 0.786 SSIM ![]() 21.98dB PSNR, 0.738 SSIM Original | Noisy | Proposed method [1] | NLM [2] | Curvelet [3] | BM3D [4] | EPLL [5] | Patch BM3D | DIDD [6] | FOV-NL [7]
| ![]()
![]() 15.25dB PSNR, 0.482 SSIM ![]() 26.16dB PSNR, 0.730 SSIM ![]() 24.70dB PSNR, 0.772 SSIM ![]() 25.63dB PSNR, 0.740 SSIM ![]() 27.82dB PSNR, 0.781 SSIM ![]() 27.99dB PSNR, 0.789 SSIM ![]() 27.14dB PSNR, 0.780 SSIM ![]() 27.54dB PSNR, 0.777 SSIM ![]() 27.27dB PSNR, 0.753 SSIM ![]()
![]() 19.26dB PSNR, 0.746 SSIM ![]() 21.05dB PSNR, 0.817 SSIM ![]() 20.54dB PSNR, 0.723 SSIM ![]() 19.38dB PSNR, 0.694 SSIM ![]() 20.56dB PSNR, 0.750 SSIM ![]() 21.38dB PSNR, 0.825 SSIM ![]() 21.04dB PSNR, 0.792 SSIM ![]() 18.76dB PSNR, 0.733 SSIM ![]() 19.58dB PSNR, 0.674 SSIM ![]()
![]() 18.84dB PSNR, 0.687 SSIM ![]() 21.15dB PSNR, 0.742 SSIM ![]() 21.46dB PSNR, 0.724 SSIM ![]() 20.98dB PSNR, 0.718 SSIM ![]() 21.62dB PSNR, 0.724 SSIM ![]() 22.39dB PSNR, 0.793 SSIM ![]() 21.94dB PSNR, 0.751 SSIM ![]() 21.43dB PSNR, 0.732 SSIM ![]() 20.23dB PSNR, 0.643 SSIM ![]()
![]() 20.11dB PSNR, 0.640 SSIM ![]() 22.00dB PSNR, 0.703 SSIM ![]() 21.75dB PSNR, 0.711 SSIM ![]() 20.71dB PSNR, 0.705 SSIM ![]() 23.34dB PSNR, 0.751 SSIM ![]() 23.92dB PSNR, 0.778 SSIM ![]() 23.60dB PSNR, 0.758 SSIM ![]() 22.55dB PSNR, 0.755 SSIM ![]() 21.13dB PSNR, 0.662 SSIM Original | Noisy | Proposed method [1] | NLM [2] | Curvelet [3] | BM3D [4] | EPLL [5] | Patch BM3D | DIDD [6] | FOV-NL [7]
| ![]()
![]() 16.52dB PSNR, 0.316 SSIM ![]() 26.79dB PSNR, 0.621 SSIM ![]() 28.31dB PSNR, 0.723 SSIM ![]() 23.89dB PSNR, 0.636 SSIM ![]() 28.34dB PSNR, 0.737 SSIM ![]() 28.59dB PSNR, 0.756 SSIM ![]() 28.26dB PSNR, 0.733 SSIM ![]() 27.97dB PSNR, 0.722 SSIM ![]() 25.60dB PSNR, 0.675 SSIM ![]()
![]() 19.02dB PSNR, 0.362 SSIM ![]() 26.95dB PSNR, 0.654 SSIM ![]() 29.02dB PSNR, 0.740 SSIM ![]() 26.93dB PSNR, 0.714 SSIM ![]() 28.85dB PSNR, 0.763 SSIM ![]() 28.77dB PSNR, 0.766 SSIM ![]() 28.53dB PSNR, 0.751 SSIM ![]() 28.47dB PSNR, 0.752 SSIM ![]() 28.36dB PSNR, 0.732 SSIM ![]()
![]() 13.59dB PSNR, 0.227 SSIM ![]() 27.38dB PSNR, 0.536 SSIM ![]() 17.62dB PSNR, 0.576 SSIM ![]() 28.33dB PSNR, 0.549 SSIM ![]() 21.75dB PSNR, 0.583 SSIM ![]() 29.81dB PSNR, 0.605 SSIM ![]() 20.79dB PSNR, 0.583 SSIM ![]() 24.72dB PSNR, 0.570 SSIM ![]() 21.35dB PSNR, 0.595 SSIM ![]()
![]() 19.23dB PSNR, 0.625 SSIM ![]() 23.34dB PSNR, 0.743 SSIM ![]() 19.03dB PSNR, 0.763 SSIM ![]() 22.39dB PSNR, 0.698 SSIM ![]() 22.44dB PSNR, 0.783 SSIM ![]() 23.80dB PSNR, 0.744 SSIM ![]() 23.43dB PSNR, 0.784 SSIM ![]() 21.74dB PSNR, 0.740 SSIM ![]() 23.28dB PSNR, 0.690 SSIM ![]()
![]() 20.42dB PSNR, 0.431 SSIM ![]() 25.78dB PSNR, 0.668 SSIM ![]() 27.14dB PSNR, 0.666 SSIM ![]() 25.41dB PSNR, 0.675 SSIM ![]() 26.94dB PSNR, 0.698 SSIM ![]() 27.13dB PSNR, 0.716 SSIM ![]() 26.62dB PSNR, 0.705 SSIM ![]() 26.94dB PSNR, 0.694 SSIM ![]() 26.41dB PSNR, 0.662 SSIM Original | Noisy | Proposed method [1] | NLM [2] | Curvelet [3] | BM3D [4] | EPLL [5] | Patch BM3D | DIDD [6] | FOV-NL [7]
| ![]()
![]() 19.98dB PSNR, 0.372 SSIM ![]() 24.59dB PSNR, 0.522 SSIM ![]() 27.42dB PSNR, 0.576 SSIM ![]() 26.68dB PSNR, 0.584 SSIM ![]() 27.30dB PSNR, 0.609 SSIM ![]() 27.46dB PSNR, 0.618 SSIM ![]() 27.29dB PSNR, 0.608 SSIM ![]() 21.77dB PSNR, 0.586 SSIM ![]() 26.52dB PSNR, 0.595 SSIM ![]()
![]() 19.03dB PSNR, 0.588 SSIM ![]() 22.71dB PSNR, 0.690 SSIM ![]() 21.90dB PSNR, 0.586 SSIM ![]() 21.67dB PSNR, 0.591 SSIM ![]() 22.90dB PSNR, 0.608 SSIM ![]() 23.63dB PSNR, 0.691 SSIM ![]() 23.05dB PSNR, 0.629 SSIM ![]() 23.02dB PSNR, 0.622 SSIM ![]() 22.67dB PSNR, 0.565 SSIM ![]()
![]() 20.36dB PSNR, 0.368 SSIM ![]() 25.22dB PSNR, 0.565 SSIM ![]() 22.69dB PSNR, 0.543 SSIM ![]() 21.87dB PSNR, 0.534 SSIM ![]() 24.35dB PSNR, 0.560 SSIM ![]() 26.64dB PSNR, 0.600 SSIM ![]() 25.80dB PSNR, 0.568 SSIM ![]() 24.68dB PSNR, 0.563 SSIM ![]() 25.65dB PSNR, 0.563 SSIM ![]()
![]() 19.66dB PSNR, 0.527 SSIM ![]() 23.44dB PSNR, 0.633 SSIM ![]() 23.29dB PSNR, 0.510 SSIM ![]() 23.54dB PSNR, 0.570 SSIM ![]() 24.03dB PSNR, 0.576 SSIM ![]() 24.52dB PSNR, 0.650 SSIM ![]() 24.24dB PSNR, 0.606 SSIM ![]() 24.21dB PSNR, 0.600 SSIM ![]() 23.36dB PSNR, 0.506 SSIM ![]()
![]() 20.31dB PSNR, 0.458 SSIM ![]() 24.52dB PSNR, 0.602 SSIM ![]() 25.11dB PSNR, 0.543 SSIM ![]() 23.71dB PSNR, 0.576 SSIM ![]() 25.45dB PSNR, 0.616 SSIM ![]() 25.88dB PSNR, 0.640 SSIM ![]() 25.53dB PSNR, 0.623 SSIM ![]() 22.05dB PSNR, 0.583 SSIM ![]() 24.91dB PSNR, 0.542 SSIM Original | Noisy | Proposed method [1] | NLM [2] | Curvelet [3] | BM3D [4] | EPLL [5] | Patch BM3D | DIDD [6] | FOV-NL [7]
| ![]()
![]() 20.39dB PSNR, 0.593 SSIM ![]() 22.69dB PSNR, 0.659 SSIM ![]() 22.58dB PSNR, 0.573 SSIM ![]() 22.02dB PSNR, 0.584 SSIM ![]() 22.42dB PSNR, 0.588 SSIM ![]() 23.47dB PSNR, 0.697 SSIM ![]() 22.87dB PSNR, 0.624 SSIM ![]() 19.02dB PSNR, 0.610 SSIM ![]() 22.01dB PSNR, 0.524 SSIM ![]()
![]() 19.66dB PSNR, 0.431 SSIM ![]() 25.11dB PSNR, 0.626 SSIM ![]() 22.91dB PSNR, 0.630 SSIM ![]() 25.10dB PSNR, 0.652 SSIM ![]() 25.19dB PSNR, 0.675 SSIM ![]() 25.33dB PSNR, 0.695 SSIM ![]() 23.46dB PSNR, 0.677 SSIM ![]() 21.83dB PSNR, 0.670 SSIM ![]() 23.27dB PSNR, 0.642 SSIM Original | Noisy | Proposed method [1] | NLM [2] | Curvelet [3] | BM3D [4] | EPLL [5] | Patch BM3D | DIDD [6] | FOV-NL [7]
| ![]()
![]() 20.53dB PSNR, 0.450 SSIM ![]() 25.02dB PSNR, 0.644 SSIM ![]() 26.33dB PSNR, 0.640 SSIM ![]() 25.25dB PSNR, 0.641 SSIM ![]() 26.19dB PSNR, 0.660 SSIM ![]() 26.54dB PSNR, 0.693 SSIM ![]() 26.17dB PSNR, 0.671 SSIM ![]() 24.26dB PSNR, 0.655 SSIM ![]() 25.74dB PSNR, 0.632 SSIM ![]()
![]() 16.67dB PSNR, 0.731 SSIM ![]() 20.94dB PSNR, 0.797 SSIM ![]() 20.09dB PSNR, 0.690 SSIM ![]() 18.10dB PSNR, 0.663 SSIM ![]() 20.28dB PSNR, 0.710 SSIM ![]() 21.33dB PSNR, 0.807 SSIM ![]() 20.79dB PSNR, 0.760 SSIM ![]() 15.39dB PSNR, 0.685 SSIM ![]() 18.30dB PSNR, 0.637 SSIM ![]()
![]() 19.12dB PSNR, 0.689 SSIM ![]() 22.41dB PSNR, 0.802 SSIM ![]() 23.00dB PSNR, 0.772 SSIM ![]() 21.37dB PSNR, 0.735 SSIM ![]() 22.38dB PSNR, 0.769 SSIM ![]() 23.02dB PSNR, 0.815 SSIM ![]() 22.61dB PSNR, 0.791 SSIM ![]() 20.59dB PSNR, 0.745 SSIM ![]() 20.50dB PSNR, 0.725 SSIM ![]()
![]() 17.49dB PSNR, 0.366 SSIM ![]() 25.14dB PSNR, 0.560 SSIM ![]() 22.22dB PSNR, 0.524 SSIM ![]() 23.14dB PSNR, 0.540 SSIM ![]() 23.94dB PSNR, 0.572 SSIM ![]() 27.00dB PSNR, 0.608 SSIM ![]() 26.28dB PSNR, 0.582 SSIM ![]() 24.06dB PSNR, 0.558 SSIM ![]() 25.34dB PSNR, 0.559 SSIM ![]()
![]() 19.41dB PSNR, 0.541 SSIM ![]() 23.01dB PSNR, 0.646 SSIM ![]() 22.89dB PSNR, 0.552 SSIM ![]() 21.28dB PSNR, 0.564 SSIM ![]() 23.49dB PSNR, 0.592 SSIM ![]() 24.24dB PSNR, 0.673 SSIM ![]() 23.77dB PSNR, 0.620 SSIM ![]() 21.83dB PSNR, 0.601 SSIM ![]() 21.24dB PSNR, 0.549 SSIM ![]()
![]() 14.10dB PSNR, 0.425 SSIM ![]() 19.70dB PSNR, 0.632 SSIM ![]() 15.80dB PSNR, 0.710 SSIM ![]() 14.83dB PSNR, 0.653 SSIM ![]() 15.40dB PSNR, 0.697 SSIM ![]() 18.72dB PSNR, 0.731 SSIM ![]() 15.40dB PSNR, 0.694 SSIM ![]() 16.36dB PSNR, 0.700 SSIM ![]() 13.65dB PSNR, 0.655 SSIM ![]()
![]() 20.20dB PSNR, 0.490 SSIM ![]() 25.26dB PSNR, 0.719 SSIM ![]() 24.74dB PSNR, 0.745 SSIM ![]() 25.10dB PSNR, 0.735 SSIM ![]() 27.02dB PSNR, 0.772 SSIM ![]() 27.07dB PSNR, 0.782 SSIM ![]() 26.90dB PSNR, 0.769 SSIM ![]() 24.24dB PSNR, 0.765 SSIM ![]() 21.99dB PSNR, 0.701 SSIM ![]()
![]() 18.98dB PSNR, 0.755 SSIM ![]() 18.68dB PSNR, 0.654 SSIM ![]() 22.29dB PSNR, 0.919 SSIM ![]() 22.20dB PSNR, 0.865 SSIM ![]() 25.60dB PSNR, 0.956 SSIM ![]() 23.24dB PSNR, 0.902 SSIM ![]() 25.52dB PSNR, 0.944 SSIM ![]() 20.91dB PSNR, 0.885 SSIM ![]() 22.48dB PSNR, 0.904 SSIM Original | Noisy | Proposed method [1] | NLM [2] | Curvelet [3] | BM3D [4] | EPLL [5] | Patch BM3D | DIDD [6] | FOV-NL [7]
| ![]()
![]() 20.78dB PSNR, 0.629 SSIM ![]() 21.90dB PSNR, 0.690 SSIM ![]() 20.92dB PSNR, 0.570 SSIM ![]() 22.03dB PSNR, 0.590 SSIM ![]() 19.87dB PSNR, 0.598 SSIM ![]() 23.10dB PSNR, 0.685 SSIM ![]() 22.59dB PSNR, 0.620 SSIM ![]() 21.81dB PSNR, 0.617 SSIM ![]() 21.21dB PSNR, 0.537 SSIM ![]()
![]() 20.60dB PSNR, 0.651 SSIM ![]() 21.80dB PSNR, 0.714 SSIM ![]() 18.57dB PSNR, 0.554 SSIM ![]() 19.94dB PSNR, 0.594 SSIM ![]() 21.56dB PSNR, 0.611 SSIM ![]() 22.84dB PSNR, 0.709 SSIM ![]() 22.36dB PSNR, 0.647 SSIM ![]() 21.59dB PSNR, 0.631 SSIM ![]() 21.24dB PSNR, 0.560 SSIM ![]()
![]() 16.82dB PSNR, 0.774 SSIM ![]() 20.81dB PSNR, 0.899 SSIM ![]() 22.00dB PSNR, 0.907 SSIM ![]() 17.71dB PSNR, 0.791 SSIM ![]() 21.29dB PSNR, 0.906 SSIM ![]() 21.56dB PSNR, 0.918 SSIM ![]() 21.41dB PSNR, 0.912 SSIM ![]() 18.21dB PSNR, 0.827 SSIM ![]() 18.00dB PSNR, 0.799 SSIM Original | Noisy | Proposed method [1] | NLM [2] | Curvelet [3] | BM3D [4] | EPLL [5] | Patch BM3D | DIDD [6] | FOV-NL [7]
| ![]()
![]() 18.06dB PSNR, 0.637 SSIM ![]() 21.82dB PSNR, 0.740 SSIM ![]() 22.26dB PSNR, 0.719 SSIM ![]() 19.49dB PSNR, 0.672 SSIM ![]() 22.22dB PSNR, 0.738 SSIM ![]() 23.07dB PSNR, 0.791 SSIM ![]() 22.57dB PSNR, 0.764 SSIM ![]() 20.27dB PSNR, 0.703 SSIM ![]() 20.56dB PSNR, 0.677 SSIM ![]()
![]() 16.30dB PSNR, 0.558 SSIM ![]() 21.69dB PSNR, 0.650 SSIM ![]() 19.14dB PSNR, 0.568 SSIM ![]() 21.46dB PSNR, 0.665 SSIM ![]() 22.99dB PSNR, 0.673 SSIM ![]() 23.80dB PSNR, 0.715 SSIM ![]() 23.34dB PSNR, 0.693 SSIM ![]() 23.73dB PSNR, 0.710 SSIM ![]() 22.40dB PSNR, 0.580 SSIM ![]()
![]() 14.47dB PSNR, 0.481 SSIM ![]() 24.64dB PSNR, 0.765 SSIM ![]() 24.92dB PSNR, 0.812 SSIM ![]() 18.89dB PSNR, 0.676 SSIM ![]() 25.63dB PSNR, 0.814 SSIM ![]() 25.96dB PSNR, 0.822 SSIM ![]() 25.38dB PSNR, 0.815 SSIM ![]() 20.16dB PSNR, 0.711 SSIM ![]() 21.78dB PSNR, 0.711 SSIM |
| Original | Noisy | Proposed method [1] | NLM [2] | Curvelet [3] | BM3D [4] | EPLL [5] | Patch BM3D | DIDD [6] | FOV-NL [7]
![]()
![]() 22.18dB PSNR, 0.800 SSIM ![]() 24.90dB PSNR, 0.864 SSIM ![]() 25.09dB PSNR, 0.849 SSIM ![]() 23.49dB PSNR, 0.817 SSIM ![]() 25.22dB PSNR, 0.862 SSIM ![]() 25.47dB PSNR, 0.879 SSIM ![]() 25.17dB PSNR, 0.863 SSIM ![]() 24.75dB PSNR, 0.853 SSIM ![]() 23.66dB PSNR, 0.825 SSIM ![]()
![]() 22.53dB PSNR, 0.682 SSIM ![]() 27.26dB PSNR, 0.833 SSIM ![]() 26.42dB PSNR, 0.825 SSIM ![]() 26.77dB PSNR, 0.809 SSIM ![]() 27.70dB PSNR, 0.833 SSIM ![]() 27.96dB PSNR, 0.853 SSIM ![]() 27.57dB PSNR, 0.841 SSIM ![]() 27.62dB PSNR, 0.836 SSIM ![]() 26.06dB PSNR, 0.794 SSIM ![]()
![]() 21.44dB PSNR, 0.598 SSIM ![]() 25.28dB PSNR, 0.743 SSIM ![]() 22.20dB PSNR, 0.703 SSIM ![]() 25.26dB PSNR, 0.699 SSIM ![]() 24.28dB PSNR, 0.721 SSIM ![]() 26.35dB PSNR, 0.755 SSIM ![]() 25.19dB PSNR, 0.733 SSIM ![]() 20.92dB PSNR, 0.682 SSIM ![]() 25.72dB PSNR, 0.690 SSIM ![]()
![]() 18.57dB PSNR, 0.682 SSIM ![]() 25.13dB PSNR, 0.796 SSIM ![]() 25.14dB PSNR, 0.776 SSIM ![]() 21.38dB PSNR, 0.742 SSIM ![]() 25.25dB PSNR, 0.791 SSIM ![]() 25.96dB PSNR, 0.820 SSIM ![]() 25.56dB PSNR, 0.795 SSIM ![]() 23.14dB PSNR, 0.760 SSIM ![]() 22.06dB PSNR, 0.739 SSIM ![]()
![]() 21.66dB PSNR, 0.880 SSIM ![]() 23.56dB PSNR, 0.918 SSIM ![]() 24.35dB PSNR, 0.924 SSIM ![]() 21.35dB PSNR, 0.857 SSIM ![]() 24.04dB PSNR, 0.924 SSIM ![]() 24.10dB PSNR, 0.929 SSIM ![]() 24.04dB PSNR, 0.925 SSIM ![]() 22.88dB PSNR, 0.904 SSIM ![]() 21.35dB PSNR, 0.847 SSIM Original | Noisy | Proposed method [1] | NLM [2] | Curvelet [3] | BM3D [4] | EPLL [5] | Patch BM3D | DIDD [6] | FOV-NL [7]
| ![]()
![]() 21.34dB PSNR, 0.733 SSIM ![]() 25.37dB PSNR, 0.817 SSIM ![]() 22.54dB PSNR, 0.765 SSIM ![]() 24.93dB PSNR, 0.780 SSIM ![]() 24.99dB PSNR, 0.805 SSIM ![]() 26.22dB PSNR, 0.836 SSIM ![]() 25.66dB PSNR, 0.812 SSIM ![]() 22.93dB PSNR, 0.803 SSIM ![]() 24.40dB PSNR, 0.765 SSIM ![]()
![]() 21.77dB PSNR, 0.746 SSIM ![]() 25.77dB PSNR, 0.848 SSIM ![]() 26.12dB PSNR, 0.861 SSIM ![]() 24.89dB PSNR, 0.830 SSIM ![]() 26.37dB PSNR, 0.864 SSIM ![]() 26.65dB PSNR, 0.881 SSIM ![]() 26.30dB PSNR, 0.864 SSIM ![]() 26.28dB PSNR, 0.865 SSIM ![]() 25.06dB PSNR, 0.832 SSIM ![]()
![]() 19.05dB PSNR, 0.878 SSIM ![]() 23.02dB PSNR, 0.945 SSIM ![]() 23.03dB PSNR, 0.941 SSIM ![]() 18.97dB PSNR, 0.860 SSIM ![]() 23.42dB PSNR, 0.950 SSIM ![]() 23.62dB PSNR, 0.954 SSIM ![]() 23.47dB PSNR, 0.952 SSIM ![]() 19.40dB PSNR, 0.887 SSIM ![]() 19.13dB PSNR, 0.852 SSIM ![]()
![]() 20.60dB PSNR, 0.782 SSIM ![]() 26.74dB PSNR, 0.898 SSIM ![]() 27.07dB PSNR, 0.922 SSIM ![]() 24.75dB PSNR, 0.897 SSIM ![]() 27.27dB PSNR, 0.916 SSIM ![]() 27.38dB PSNR, 0.914 SSIM ![]() 27.36dB PSNR, 0.913 SSIM ![]() 26.84dB PSNR, 0.915 SSIM ![]() 25.15dB PSNR, 0.887 SSIM Original | Noisy | Proposed method [1] | NLM [2] | Curvelet [3] | BM3D [4] | EPLL [5] | Patch BM3D | DIDD [6] | FOV-NL [7]
| ![]()
![]() 20.38dB PSNR, 0.691 SSIM ![]() 27.03dB PSNR, 0.826 SSIM ![]() 25.99dB PSNR, 0.815 SSIM ![]() 26.36dB PSNR, 0.809 SSIM ![]() 27.50dB PSNR, 0.833 SSIM ![]() 26.98dB PSNR, 0.839 SSIM ![]() 27.24dB PSNR, 0.830 SSIM ![]() 27.31dB PSNR, 0.828 SSIM ![]() 24.01dB PSNR, 0.801 SSIM ![]()
![]() 21.66dB PSNR, 0.720 SSIM ![]() 26.79dB PSNR, 0.842 SSIM ![]() 24.38dB PSNR, 0.825 SSIM ![]() 25.64dB PSNR, 0.814 SSIM ![]() 26.44dB PSNR, 0.845 SSIM ![]() 27.15dB PSNR, 0.850 SSIM ![]() 26.95dB PSNR, 0.846 SSIM ![]() 26.50dB PSNR, 0.842 SSIM ![]() 26.35dB PSNR, 0.813 SSIM ![]()
![]() 20.97dB PSNR, 0.731 SSIM ![]() 26.90dB PSNR, 0.857 SSIM ![]() 26.69dB PSNR, 0.890 SSIM ![]() 24.57dB PSNR, 0.876 SSIM ![]() 27.98dB PSNR, 0.901 SSIM ![]() 27.20dB PSNR, 0.889 SSIM ![]() 28.30dB PSNR, 0.896 SSIM ![]() 28.10dB PSNR, 0.896 SSIM ![]() 28.18dB PSNR, 0.886 SSIM ![]()
![]() 18.63dB PSNR, 0.680 SSIM ![]() 25.05dB PSNR, 0.793 SSIM ![]() 24.80dB PSNR, 0.758 SSIM ![]() 22.30dB PSNR, 0.739 SSIM ![]() 25.34dB PSNR, 0.777 SSIM ![]() 25.90dB PSNR, 0.818 SSIM ![]() 25.31dB PSNR, 0.791 SSIM ![]() 25.49dB PSNR, 0.787 SSIM ![]() 24.39dB PSNR, 0.752 SSIM ![]()
![]() 18.57dB PSNR, 0.682 SSIM ![]() 25.13dB PSNR, 0.796 SSIM ![]() 25.14dB PSNR, 0.776 SSIM ![]() 22.03dB PSNR, 0.746 SSIM ![]() 25.25dB PSNR, 0.791 SSIM ![]() 26.01dB PSNR, 0.822 SSIM ![]() 25.56dB PSNR, 0.795 SSIM ![]() 22.20dB PSNR, 0.754 SSIM ![]() 24.03dB PSNR, 0.742 SSIM Original | Noisy | Proposed method [1] | NLM [2] | Curvelet [3] | BM3D [4] | EPLL [5] | Patch BM3D | DIDD [6] | FOV-NL [7]
| ![]()
![]() 20.42dB PSNR, 0.772 SSIM ![]() 25.06dB PSNR, 0.872 SSIM ![]() 22.61dB PSNR, 0.873 SSIM ![]() 21.58dB PSNR, 0.832 SSIM ![]() 24.92dB PSNR, 0.877 SSIM ![]() 25.99dB PSNR, 0.878 SSIM ![]() 25.06dB PSNR, 0.877 SSIM ![]() 24.40dB PSNR, 0.849 SSIM ![]() 21.93dB PSNR, 0.833 SSIM ![]()
![]() 21.24dB PSNR, 0.796 SSIM ![]() 25.54dB PSNR, 0.873 SSIM ![]() 21.83dB PSNR, 0.839 SSIM ![]() 24.40dB PSNR, 0.847 SSIM ![]() 25.58dB PSNR, 0.875 SSIM ![]() 25.36dB PSNR, 0.882 SSIM ![]() 25.41dB PSNR, 0.876 SSIM ![]() 25.39dB PSNR, 0.876 SSIM ![]() 24.06dB PSNR, 0.847 SSIM ![]()
![]() 20.62dB PSNR, 0.782 SSIM ![]() 25.74dB PSNR, 0.873 SSIM ![]() 21.33dB PSNR, 0.828 SSIM ![]() 25.16dB PSNR, 0.851 SSIM ![]() 25.96dB PSNR, 0.877 SSIM ![]() 26.23dB PSNR, 0.880 SSIM ![]() 25.23dB PSNR, 0.874 SSIM ![]() 25.38dB PSNR, 0.875 SSIM ![]() 25.01dB PSNR, 0.852 SSIM ![]()
![]() 19.74dB PSNR, 0.606 SSIM ![]() 27.82dB PSNR, 0.784 SSIM ![]() 25.46dB PSNR, 0.782 SSIM ![]() 27.46dB PSNR, 0.761 SSIM ![]() 28.07dB PSNR, 0.798 SSIM ![]() 28.48dB PSNR, 0.801 SSIM ![]() 28.05dB PSNR, 0.795 SSIM ![]() 28.13dB PSNR, 0.795 SSIM ![]() 27.79dB PSNR, 0.770 SSIM ![]()
![]() 23.07dB PSNR, 0.725 SSIM ![]() 23.86dB PSNR, 0.724 SSIM ![]() 22.81dB PSNR, 0.631 SSIM ![]() 21.95dB PSNR, 0.573 SSIM ![]() 23.34dB PSNR, 0.636 SSIM ![]() 24.15dB PSNR, 0.719 SSIM ![]() 23.38dB PSNR, 0.652 SSIM ![]() 23.78dB PSNR, 0.638 SSIM ![]() 22.93dB PSNR, 0.591 SSIM Original | Noisy | Proposed method [1] | NLM [2] | Curvelet [3] | BM3D [4] | EPLL [5] | Patch BM3D | DIDD [6] | FOV-NL [7]
| ![]()
![]() 21.98dB PSNR, 0.715 SSIM ![]() 23.46dB PSNR, 0.724 SSIM ![]() 21.65dB PSNR, 0.642 SSIM ![]() 22.91dB PSNR, 0.564 SSIM ![]() 21.25dB PSNR, 0.626 SSIM ![]() 23.54dB PSNR, 0.726 SSIM ![]() 22.77dB PSNR, 0.680 SSIM ![]() 17.21dB PSNR, 0.609 SSIM ![]() 21.04dB PSNR, 0.568 SSIM ![]()
![]() 19.65dB PSNR, 0.762 SSIM ![]() 25.47dB PSNR, 0.851 SSIM ![]() 26.47dB PSNR, 0.833 SSIM ![]() 23.85dB PSNR, 0.845 SSIM ![]() 26.65dB PSNR, 0.871 SSIM ![]() 26.19dB PSNR, 0.878 SSIM ![]() 26.61dB PSNR, 0.873 SSIM ![]() 23.05dB PSNR, 0.856 SSIM ![]() 21.49dB PSNR, 0.822 SSIM ![]()
![]() 19.59dB PSNR, 0.577 SSIM ![]() 26.15dB PSNR, 0.708 SSIM ![]() 24.73dB PSNR, 0.671 SSIM ![]() 25.76dB PSNR, 0.673 SSIM ![]() 26.51dB PSNR, 0.690 SSIM ![]() 27.40dB PSNR, 0.727 SSIM ![]() 26.25dB PSNR, 0.704 SSIM ![]() 26.26dB PSNR, 0.693 SSIM ![]() 24.21dB PSNR, 0.659 SSIM ![]()
![]() 22.27dB PSNR, 0.553 SSIM ![]() 26.54dB PSNR, 0.685 SSIM ![]() 22.36dB PSNR, 0.611 SSIM ![]() 24.13dB PSNR, 0.637 SSIM ![]() 24.38dB PSNR, 0.666 SSIM ![]() 27.91dB PSNR, 0.700 SSIM ![]() 23.75dB PSNR, 0.662 SSIM ![]() 25.59dB PSNR, 0.649 SSIM ![]() 21.73dB PSNR, 0.610 SSIM ![]()
![]() 20.70dB PSNR, 0.589 SSIM ![]() 26.62dB PSNR, 0.831 SSIM ![]() 26.27dB PSNR, 0.869 SSIM ![]() 24.51dB PSNR, 0.816 SSIM ![]() 28.85dB PSNR, 0.855 SSIM ![]() 27.32dB PSNR, 0.858 SSIM ![]() 26.41dB PSNR, 0.845 SSIM ![]() 17.06dB PSNR, 0.783 SSIM ![]() 28.42dB PSNR, 0.830 SSIM Original | Noisy | Proposed method [1] | NLM [2] | Curvelet [3] | BM3D [4] | EPLL [5] | Patch BM3D | DIDD [6] | FOV-NL [7]
| ![]()
![]() 21.77dB PSNR, 0.862 SSIM ![]() 23.44dB PSNR, 0.894 SSIM ![]() 22.48dB PSNR, 0.840 SSIM ![]() 21.53dB PSNR, 0.817 SSIM ![]() 23.35dB PSNR, 0.881 SSIM ![]() 23.68dB PSNR, 0.900 SSIM ![]() 23.46dB PSNR, 0.889 SSIM ![]() 21.52dB PSNR, 0.860 SSIM ![]() 20.77dB PSNR, 0.777 SSIM ![]()
![]() 20.97dB PSNR, 0.798 SSIM ![]() 23.32dB PSNR, 0.822 SSIM ![]() 24.58dB PSNR, 0.839 SSIM ![]() 22.41dB PSNR, 0.816 SSIM ![]() 24.29dB PSNR, 0.852 SSIM ![]() 24.64dB PSNR, 0.877 SSIM ![]() 24.35dB PSNR, 0.858 SSIM ![]() 19.69dB PSNR, 0.812 SSIM ![]() 22.63dB PSNR, 0.802 SSIM ![]()
![]() 22.77dB PSNR, 0.775 SSIM ![]() 24.07dB PSNR, 0.801 SSIM ![]() 23.52dB PSNR, 0.832 SSIM ![]() 24.94dB PSNR, 0.820 SSIM ![]() 25.77dB PSNR, 0.843 SSIM ![]() 26.00dB PSNR, 0.861 SSIM ![]() 25.73dB PSNR, 0.846 SSIM ![]() 25.81dB PSNR, 0.847 SSIM ![]() 25.49dB PSNR, 0.826 SSIM Original | Noisy | Proposed method [1] | NLM [2] | Curvelet [3] | BM3D [4] | EPLL [5] | Patch BM3D | DIDD [6] | FOV-NL [7]
| ![]()
![]() 22.71dB PSNR, 0.765 SSIM ![]() 25.20dB PSNR, 0.829 SSIM ![]() 22.75dB PSNR, 0.844 SSIM ![]() 24.13dB PSNR, 0.807 SSIM ![]() 24.59dB PSNR, 0.864 SSIM ![]() 25.72dB PSNR, 0.847 SSIM ![]() 25.09dB PSNR, 0.860 SSIM ![]() 24.89dB PSNR, 0.815 SSIM ![]() 24.61dB PSNR, 0.802 SSIM ![]()
![]() 22.09dB PSNR, 0.572 SSIM ![]() 27.44dB PSNR, 0.747 SSIM ![]() 28.88dB PSNR, 0.757 SSIM ![]() 28.04dB PSNR, 0.769 SSIM ![]() 28.76dB PSNR, 0.790 SSIM ![]() 28.89dB PSNR, 0.804 SSIM ![]() 28.71dB PSNR, 0.786 SSIM ![]() 27.36dB PSNR, 0.788 SSIM ![]() 27.57dB PSNR, 0.746 SSIM Original | Noisy | Proposed method [1] | NLM [2] | Curvelet [3] | BM3D [4] | EPLL [5] | Patch BM3D | DIDD [6] | FOV-NL [7]
| ![]()
![]() 21.60dB PSNR, 0.733 SSIM ![]() 24.86dB PSNR, 0.794 SSIM ![]() 23.90dB PSNR, 0.720 SSIM ![]() 22.24dB PSNR, 0.726 SSIM ![]() 24.82dB PSNR, 0.755 SSIM ![]() 25.25dB PSNR, 0.807 SSIM ![]() 24.68dB PSNR, 0.767 SSIM ![]() 24.10dB PSNR, 0.755 SSIM ![]() 24.37dB PSNR, 0.707 SSIM ![]()
![]() 23.09dB PSNR, 0.530 SSIM ![]() 26.45dB PSNR, 0.649 SSIM ![]() 24.98dB PSNR, 0.622 SSIM ![]() 25.46dB PSNR, 0.630 SSIM ![]() 26.26dB PSNR, 0.650 SSIM ![]() 28.00dB PSNR, 0.692 SSIM ![]() 27.03dB PSNR, 0.665 SSIM ![]() 25.14dB PSNR, 0.632 SSIM ![]() 27.18dB PSNR, 0.625 SSIM ![]()
![]() 23.37dB PSNR, 0.597 SSIM ![]() 26.03dB PSNR, 0.695 SSIM ![]() 27.08dB PSNR, 0.650 SSIM ![]() 26.51dB PSNR, 0.690 SSIM ![]() 27.22dB PSNR, 0.727 SSIM ![]() 27.54dB PSNR, 0.751 SSIM ![]() 27.08dB PSNR, 0.723 SSIM ![]() 25.47dB PSNR, 0.723 SSIM ![]() 25.31dB PSNR, 0.664 SSIM Original | Noisy | Proposed method [1] | NLM [2] | Curvelet [3] | BM3D [4] | EPLL [5] | Patch BM3D | DIDD [6] | FOV-NL [7]
| ![]()
![]() 21.99dB PSNR, 0.729 SSIM ![]() 24.55dB PSNR, 0.757 SSIM ![]() 24.44dB PSNR, 0.709 SSIM ![]() 23.36dB PSNR, 0.724 SSIM ![]() 24.70dB PSNR, 0.750 SSIM ![]() 25.35dB PSNR, 0.809 SSIM ![]() 24.91dB PSNR, 0.770 SSIM ![]() 24.36dB PSNR, 0.767 SSIM ![]() 23.48dB PSNR, 0.689 SSIM ![]()
![]() 23.12dB PSNR, 0.590 SSIM ![]() 27.02dB PSNR, 0.740 SSIM ![]() 27.66dB PSNR, 0.721 SSIM ![]() 26.57dB PSNR, 0.722 SSIM ![]() 27.88dB PSNR, 0.746 SSIM ![]() 28.26dB PSNR, 0.785 SSIM ![]() 27.84dB PSNR, 0.749 SSIM ![]() 27.76dB PSNR, 0.762 SSIM ![]() 26.71dB PSNR, 0.705 SSIM ![]()
![]() 20.08dB PSNR, 0.846 SSIM ![]() 23.38dB PSNR, 0.882 SSIM ![]() 22.17dB PSNR, 0.827 SSIM ![]() 19.28dB PSNR, 0.789 SSIM ![]() 23.18dB PSNR, 0.865 SSIM ![]() 23.64dB PSNR, 0.891 SSIM ![]() 23.37dB PSNR, 0.876 SSIM ![]() 19.42dB PSNR, 0.866 SSIM ![]() 19.57dB PSNR, 0.755 SSIM ![]()
![]() 21.43dB PSNR, 0.805 SSIM ![]() 24.63dB PSNR, 0.872 SSIM ![]() 24.99dB PSNR, 0.847 SSIM ![]() 22.91dB PSNR, 0.818 SSIM ![]() 24.67dB PSNR, 0.862 SSIM ![]() 24.99dB PSNR, 0.882 SSIM ![]() 24.74dB PSNR, 0.868 SSIM ![]() 22.85dB PSNR, 0.831 SSIM ![]() 23.27dB PSNR, 0.819 SSIM ![]()
![]() 18.23dB PSNR, 0.598 SSIM ![]() 23.64dB PSNR, 0.758 SSIM ![]() 20.98dB PSNR, 0.812 SSIM ![]() 17.24dB PSNR, 0.754 SSIM ![]() 21.44dB PSNR, 0.817 SSIM ![]() 23.95dB PSNR, 0.828 SSIM ![]() 20.09dB PSNR, 0.807 SSIM ![]() 24.41dB PSNR, 0.807 SSIM ![]() 16.44dB PSNR, 0.762 SSIM ![]()
![]() 22.62dB PSNR, 0.632 SSIM ![]() 27.48dB PSNR, 0.802 SSIM ![]() 28.72dB PSNR, 0.819 SSIM ![]() 27.08dB PSNR, 0.817 SSIM ![]() 28.89dB PSNR, 0.839 SSIM ![]() 28.93dB PSNR, 0.848 SSIM ![]() 28.67dB PSNR, 0.836 SSIM ![]() 28.62dB PSNR, 0.835 SSIM ![]() 27.33dB PSNR, 0.801 SSIM ![]()
![]() 21.50dB PSNR, 0.867 SSIM ![]() 19.11dB PSNR, 0.690 SSIM ![]() 25.44dB PSNR, 0.961 SSIM ![]() 23.47dB PSNR, 0.917 SSIM ![]() 28.28dB PSNR, 0.972 SSIM ![]() 25.50dB PSNR, 0.941 SSIM ![]() 27.15dB PSNR, 0.965 SSIM ![]() 23.86dB PSNR, 0.937 SSIM ![]() 23.45dB PSNR, 0.926 SSIM Original | Noisy | Proposed method [1] | NLM [2] | Curvelet [3] | BM3D [4] | EPLL [5] | Patch BM3D | DIDD [6] | FOV-NL [7]
| ![]()
![]() 23.25dB PSNR, 0.767 SSIM ![]() 24.61dB PSNR, 0.802 SSIM ![]() 23.32dB PSNR, 0.686 SSIM ![]() 22.31dB PSNR, 0.713 SSIM ![]() 24.12dB PSNR, 0.752 SSIM ![]() 24.95dB PSNR, 0.806 SSIM ![]() 24.47dB PSNR, 0.755 SSIM ![]() 23.98dB PSNR, 0.751 SSIM ![]() 23.42dB PSNR, 0.671 SSIM ![]()
![]() 23.07dB PSNR, 0.783 SSIM ![]() 24.43dB PSNR, 0.817 SSIM ![]() 21.19dB PSNR, 0.710 SSIM ![]() 22.25dB PSNR, 0.702 SSIM ![]() 24.12dB PSNR, 0.772 SSIM ![]() 24.87dB PSNR, 0.829 SSIM ![]() 23.67dB PSNR, 0.792 SSIM ![]() 23.80dB PSNR, 0.765 SSIM ![]() 22.63dB PSNR, 0.692 SSIM ![]()
![]() 19.03dB PSNR, 0.868 SSIM ![]() 22.82dB PSNR, 0.933 SSIM ![]() 23.77dB PSNR, 0.945 SSIM ![]() 18.75dB PSNR, 0.845 SSIM ![]() 24.00dB PSNR, 0.952 SSIM ![]() 23.96dB PSNR, 0.953 SSIM ![]() 23.99dB PSNR, 0.953 SSIM ![]() 19.86dB PSNR, 0.884 SSIM ![]() 19.24dB PSNR, 0.851 SSIM Original | Noisy | Proposed method [1] | NLM [2] | Curvelet [3] | BM3D [4] | EPLL [5] | Patch BM3D | DIDD [6] | FOV-NL [7]
| ![]()
![]() 19.16dB PSNR, 0.705 SSIM ![]() 24.12dB PSNR, 0.762 SSIM ![]() 21.87dB PSNR, 0.746 SSIM ![]() 24.14dB PSNR, 0.764 SSIM ![]() 25.57dB PSNR, 0.805 SSIM ![]() 25.91dB PSNR, 0.827 SSIM ![]() 25.58dB PSNR, 0.804 SSIM ![]() 25.47dB PSNR, 0.814 SSIM ![]() 24.14dB PSNR, 0.721 SSIM ![]()
![]() 16.42dB PSNR, 0.598 SSIM ![]() 27.17dB PSNR, 0.848 SSIM ![]() 27.63dB PSNR, 0.883 SSIM ![]() 20.20dB PSNR, 0.754 SSIM ![]() 28.19dB PSNR, 0.881 SSIM ![]() 28.15dB PSNR, 0.885 SSIM ![]() 27.97dB PSNR, 0.878 SSIM ![]() 25.78dB PSNR, 0.839 SSIM ![]() 22.97dB PSNR, 0.790 SSIM |